Ruichen, sızdırmazlık teknolojisinin yeniliğinin ön saflarında yer alıyor. Bağımsız olarak geliştirilen yüksek basınçlı toz contaları, hareketli parçaların toz geçirmez taleplerini tam olarak sabitler ve mükemmel koruma oluşturmak için PTFE toz halkaları ve O-rings kullanır. Çalışırken, o-ring, her zaman PTFE halkasının aşınmasını telafi etmek için sabit bir ön yük uygular ve conta uzun süreli stabilitesini sağlar; Toz halkası, toz istilasına güçlü bir şekilde direnmek için giyim karşıtı doldurma malzemeleri kullanır. Örneğin, inşaat makinelerinin hidrolik silindirlerinin derzlerinde, şantiyedeki toza bakan, yüksek basınçlı toz contaları toz girişini etkili bir şekilde engeller ve silindirin sorunsuz çalışmasını sağlar; Otomatik üretim hattının robotik kolunun pistonlu salıncak bağlantısı olan toz contaları, hassas parçaları toz parazitinden korur ve yüksek hassasiyetli işlemleri sürdürür; Ve madencilik ekipmanının spiral taşıma cihazı, cevher tozu ortamında, yüksek basınçlı toz contaları ekipmanın sabit çalışmasını sağlar, potansiyel arızaları azaltır ve ekipmanın ömrünü uzatır. Ruichen Sealing uzun zamandır derinlemesine gelişmeye odaklanıyor. Profesyonel bir ekibe ve en son tesislere dayanarak, sadece yüksek performanslı sızdırmazlık malzemelerini müşteri ihtiyaçlarına göre özelleştirmek ve üretim kalitesini bağımsız olarak kontrol etmekle kalmaz, aynı zamanda polioksimetilen gibi zengin ve çeşitli malzemeleri ayırabilir ve müşterilerin bir durakta çeşitli sızdırmazlık sorunlarının üstesinden gelmelerine ve sektördeki yeni yüksekliklere ulaşmak için birlikte çalışmasına yardımcı olabilir.
Toz geçirmez sızdırmazlık çalışma koşulları
| Profil | Model | Sıcaklık (℃) | Hız (m/s) | Medya |
![]() |
RCF01 | -35 ~+100 (eşleşen O-ring NBR) | 6 | Hidrolik yağı, emülsiyon, su, vb. |
| -20 ~+200 (eşleşen O-ring FKM) | ||||
![]() |
RCF02 | -35 ~+100 (eşleşen O-ring NBR) | 6 | Hidrolik yağı, emülsiyon, su, vb. |
| -20 ~+200 (eşleşen O-ring FKM) | ||||
![]() |
RCF03 | -35 ~+100 (eşleşen O-ring NBR) | 6 | Hidrolik yağı, emülsiyon, su, vb. |
| -20 ~+200 (eşleşen O-ring FKM) | ||||
![]() |
RCF04 | -35 ~+100 (eşleşen O-ring NBR) | 6 | Hidrolik yağı, emülsiyon, su, vb. |
| -20 ~+200 (eşleşen O-ring FKM) | ||||
![]() |
RCF05 | -35 ~+100 (eşleşen O-ring NBR) | 6 | Hidrolik yağı, emülsiyon, su, vb. |
| -20 ~+200 (eşleşen O-ring FKM) |
Sipariş örneği:
Sipariş Modeli RCF01-80-PTFE3-R01
RCF01-Model 80-Shaft Çapı PTFE3-Evrensel Değiştirilmiş PTFE R01 eşleşen Kauçuk Malzeme Kodu
Nitril Kauçuk (NBR) -r01 Flororubber (FKM) -r02
Sipariş Modeli RCF02-80-PTFE3-R01
RCF02 model 80 şaftlı çaplı PTFE3-General Modifiye PTFER01 uyumlu kauçuk malzeme kodu
NBR (NBR) -r01 Flororubber (FKM) -r02
Sipariş Modeli RCFO3-80-PTFE3 -R01
RCF03-Model 80 Şaftlı Çap PTFE3-General Modifiye PTFE R01 uyumlu kauçuk malzeme kodu
Nitril Kauçuk (NBR) -r01 Flororubber (FKM) -r02
Sipariş Modeli RCF04-80-PTFE3-R01
RCF04-Model 80 Şaftlı Çap PTFE3-General Modifiye PTFE R01 uyumlu Kauçuk Malzeme Kodu
Nitril Kauçuk (NBR) -r01 Flororubber (FKM) -r02
Sipariş Modeli RCF04-80-PTFE3-R01
RCF04-Model 80 Şaftlı Çap PTFE3-General Modifiye PTFE R01 uyumlu Kauçuk Malzeme Kodu
Nitril Kauçuk (NBR) -r01 Flororubber (FKM) -r02
Sipariş Modeli RCF05-80-PTFE3-R01
RCF05 model 80 şaftlı çaplı PTFE3-General Modifiye PTFE R01 uyumlu kauçuk malzeme kodu
Nitril Kauçuk (NBR) -r01 Flororubber (FKM) -r02
Özellikler:
| RCF01 özellikleri (parametre aralığında herhangi bir boyuttaki ürünler sağlanabilir) | ||||||
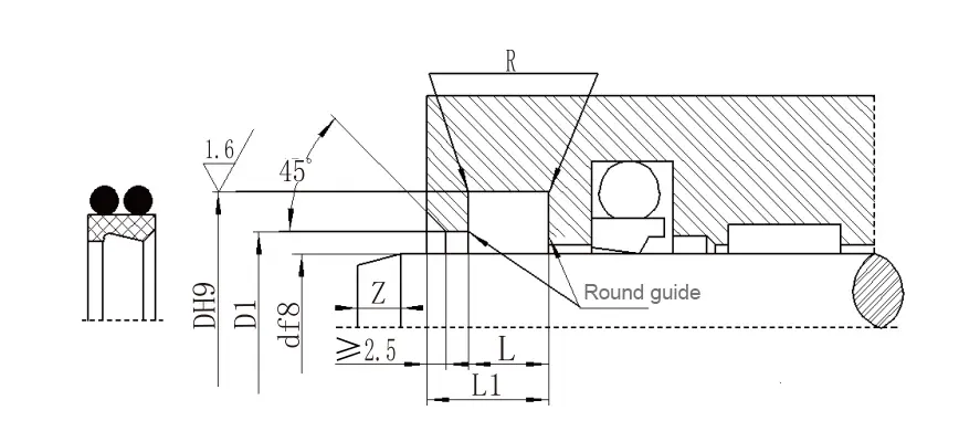
| Şaft çapı aralığı D F8 |
Oluk çapı D H9 |
Oluk genişliği L+0.2 |
Açık delik çapı D1 H11 |
Açık delik genişliği A≥ |
Yuvarlak köşeler R≤ |
O-ring teli çapı D0 |
| 19 ~ 39 | d+7.6 | 4.2 | D+1.5 | 3 | 0.8 | 2.65 |
| 40 ~ 69 | d+8.8 | 6.3 | D+1.5 | 3 | 0.8 | 2.65 |
| 70 ~ 139 | d+12.2 | 8.1 | D+2.0 | 4 | 0.8 | 3.55 |
| 140 ~ 399 | d+16.0 | 9.5 | D+2.5 | 5 | 1.5 | 5.30 |
| 400 ~ 649 | D+24.0 | 14 | D+2.5 | 8 | 1.5 | 7.00 |
| 650 ~ 1500 | d+27.3 | 16 | D+2.5 | 10 | 2.0 | 8.60 |
| RCF02, RCF03 Spesifikasyon Parametre Tablosu (parametre aralığı içindeki herhangi bir boyuttaki ürünler sağlanabilir) | ||||||
| Şaft çapı aralığı D F8 |
Oluk çapı D H9 |
Oluk genişliği L+0.2 |
Açık delik çapı D1 H11 |
Açık delik genişliği A≥ |
Yuvarlak köşeler R≤ |
O-ring teli çapı D0 |
| 4 ~ 11 | D+4.8 | 3.7 | D+1.5 | 2 | 0.4 | 1.8 |
| 12 ~ 64 | D+6.8 | 5 | D+1.5 | 2 | 0.7 | 2.65 |
| 65 ~ 250 | d+8.8 | 6 | D+1.5 | 3 | 1.0 | 3.55 |
| 251 ~ 420 | d+12.2 | 8.4 | D+2.0 | 4 | 1.5 | 5.30 |
| 421 ~ 650 | d+16.0 | 11 | D+2.0 | 4 | 1.5 | 7.00 |
| 651 ~ 1500 | D+20.0 | 14 | D+2.5 | 5 | 2.0 | 8.60 |
| RCF04 Spesifikasyon Parametre Tablosu (parametre aralığında herhangi bir boyuttaki ürünler sağlanabilir) | ||||||
| Şaft çapı aralığı D F8 |
Oluk çapı DH9 |
Adım çapı D1 H11 |
Oluk genişliği L+0.2 |
Genel genişlik L1 |
Yuvarlak köşeler Rmax | Pah uzunluğu Zimin |
| 20 ~ 39.9 | d+7.6 | d+1 | 4.2 | 8.2 | 0.4 | 3 |
| 40 ~ 69.9 | d+8.8 | D+1.5 | 6.3 | 10.3 | 1.2 | 4 |
| 70 ~ 139.9 | d+12.2 | D+2.0 | 8.1 | 12.1 | 2 | 6 |
| 140 ~ 399.9 | d+16.0 | D+2.0 | 11.5 | 15.5 | 2 | 8 |
| 400 ~ 649.9 | D+24.0 | D+2.5 | 15.5 | 19.5 | 2 | 10 |
| 650 ~ 1000 | d+27.3 | D+2.5 | 18.0 | 23.0 | 2 | 12 |
| RCF05 Spesifikasyon Parametre Tablosu (parametre aralığı içindeki herhangi bir boyuttaki ürünler sağlanabilir) | ||||||
| Şaft çapı aralığı D F8 | Oluk çapı DH9 | Adım çapı D1 H11 | Oluk genişliği L+0.2 |
Yan genişlik L1 |
Yuvarlak köşeler Rmax |
Pah uzunluğu Zimin |
| 100 ~ 229 | d+22.2 | D+10.7 | 6.3 | 4.2 | 1.2 | 6 |
| 230 ~ 299 | d+24.2 | D+10.7 | 6.3 | 4.2 | 1.2 | 8 |
| 300 ~ 629 | d+33.0 | d+15.1 | 8.1 | 6.3 | 1.2 | 10 |
| 630 ~ 1000 | D+36.5 | d+15.1 | 9.5 | 6.3 | 2 | 12 |
Başvuru:
Esas olarak tarım makineleri, hidrolik presler, enjeksiyon kalıplama makineleri, hidrolik kontrol sistemleri, forkliftler, silindir presleri, vinçler, yükleme ve boşaltma makineleri vb.











Adres
No.1 Ruichen Yolu, Dongliuting Endüstri Parkı, Chengyang Bölgesi, Qingdao Şehri, Shandong Eyaleti, Çin
tel
e-posta