RCS serimiz, profesyonel tasarım ve teknik üretim yoluyla, genel senaryolardan aşırı çalışma koşullarına kadar kesin çözümler sağlayarak piston çubuk conta döndürme contalarının çeşitli ihtiyaçlarını karşılıyor.
Yapısal tasarım açısından, temel modeller stabilite ve kullanım kolaylığı üzerine odaklanmıştır: RCS101/103, özellikle kısa vuruşlar için, önceden sıkıcı O-ringler veya yardımcı dudaklar yoluyla gömme stabilitesini geliştirir; RCS102/104R/117R, malzeme ve oluk uyumluluğunu (standart oluk yüksek basınç senaryoları için RCS102R gibi) optimize ederek daha yüksek basınçları destekler. Pnömatik sistemler için RCS105/205, yağ filmini korumak ve yağlama/yağlama olmayan ortamlara uyum sağlamak için özel bir dudak tasarımı benimser.
Ruichen Seals ayrıca malzeme ve fonksiyonel yeniliğe odaklanır. RCS118/119/124-129 gibi modeller, düşük sürtünme, anti-kuru aşınma ve korozyon direnci elde etmek için, kimyasal ve gıda doldurma ekipmanının temizliği ve yüksek sıcaklık dirençleri gereksinimlerini karşılamak için ana gövde olarak ana gövde olarak politetrafloroetilen (PTFE) veya poliüretan kullanır. RCS129, yürüme makineleri ve ağır hidrolik ekipman için uygun olan RCS101 ile bir sızdırmazlık sistemi oluşturabilir; RCS126-128, asimetrik V-parça tasarımı yoluyla düşük basınçlı sızdırmazlığı optimize eder ve farmasötik ve kimya endüstrisi için özelleştirilir.
Karmaşık çalışma koşulları için, RCS120/138 ve diğer çift etkili contalar, yüksek basınç ve bozulmaya dirençli ve kompakt oluklara adapte olan entegre destek halkası tasarımına sahiptir; RCS131, hem ekstrüzyon hem de kimyasal dirence dirençli olan ve gıda ve farmasötik endüstrisi için tercih edilen seçim haline gelen bir O-ring ikamesidir. Ve RCS116/216, kesinti maliyetlerini azaltmak için eski silindirleri fikstür kurulumu yoluyla hızlı bir şekilde onarabilir.
RCS serisi, müşterilerin yüksek baskı, yüksek hız, aşındırıcı medya ve özel endüstri zorluklarıyla başa çıkmasına ve ekipman güvenilirliğini ve yaşamını iyileştirmelerine yardımcı olur.
Ürün özellikleri ve uygulamaları:
Piston çubuk conta Dönüş contaları hidrolik silindirler ve silindirler, mühendislik araçları, tarım makineleri, vinç ve deniz hidrolik ekipmanı, takım tezgahları için uygundur.
Ağır endüstriyel makineler, presler, kimya endüstrisi, hızlı yağ silindirleri ve konumlandırma makineleri gıda endüstrisinde, ilaç endüstrisinde kullanılır.
Avantajlar
Piston çubuğu conta dönüş contaları, geniş bir sıcaklık aralığı, mükemmel statik ve dinamik sızdırmazlık performansı ve dinamik koşullar altında güçlü artık yağ geri kazanım yeteneği ile oluğa yerleştirilmiştir. Düşük sürtünme, sürünen, yüksek aşınma direnci, düşük statik ve sürtünme değerleri, sadece iyi ekstrüzyon karşıtı performansı, iyi termal iletkenlik ve geniş bir sıcaklık aralığı.
Eski piston çubukları için uygun, açık tipte sürünmesi kolay.

RCS101
Sipariş boyutu
Φd ...... dış çap
Φd ...... iç çap
L ...... oluk genişliği
| Yüzey kaplaması | R Tmax (μm) | RA (μm) |
| Kayar yüzey eşleşen kauçuk/poliüretan contalar Kayar yüzey eşleşen PTFE contaları | ≤2.5 ≤2 | ≤0.1-0.5 ≤0.05-0.3 |
| Oluk tabanı Oluk tarafı | ≤6.3 ≤15 | ≤1.6 ≤3 |
| TP Profil Destek Uzunluk Oranı | %50-%95 |
|
| Tolerans | |
| ΦD | f8 |
| ΦD | H10 |
Sipariş örneği
Model: RCS101
Groove Boyutu: 100x115x10
Malzeme: RC-PU-H

Mühür Tipi: RCS101, RCS102, RCS103, RCS104, RCS205, RCS106, RCS107, RCS108, RCS117, RCS121
Ana Uygulama: Hidrolik ve pnömatik silindirler için uygun
Avantajları: Groove'da sabit gömme, geniş sıcaklık aralığı, mükemmel statik ve dinamik sızdırmazlık performansı, dinamik koşullar altında güçlü artık yağ ekstraksiyonu.
Malzeme: Poliüretan, Kauçuk
| SEAL GROOVE Örnekleri | Aşağıdakiler standart oluk boyutlarıdır (boyut aralığı içindeki herhangi bir boyuttaki toz contaları üretilebilir) | ||||||||
![]() |
![]() |
ΦD | ΦD | L | C/S | Maksimum ekstrüzyon boşluğu | |||
| 100Bar | 250Bar | 400bar | |||||||
| 5-24.9 | Φd+8 | 6.3 | 4 | 0.50 | 0.35 | 0.25 | |||
| 25-49.9 | Φd+10 | 8 | 5 | 0.50 | 0.35 | 0.25 | |||
| 50-149.9 | Φd+15 | 10 | 7.5 | 0.50 | 0.35 | 0.25 | |||
| 150-229.9 | Φd+20 | 14 | 10 | 0.50 | 0.35 | 0.25 | |||
| 300-499.9 | Φd+25 | 17 | 12.5 | 0.50 | 0.35 | 0.25 | |||
| 500-699.9 | Φd+30 | 25 | 15 | 0.50 | 0.35 | 0.25 | |||
| > 700 | Φd+40 | 32 | 20 | 0.60 | 0.40 | 0.30 | |||
| > 1000 | Φd+50 | 40 | 25 | 0.70 | 0.50 | 0.40 | |||

RCS109
Sipariş boyutu
Φd ...... dış çap
Φd ...... iç çap
L ...... oluk genişliği
|
Yüzey kaplaması |
R Tmax (μm) |
RA (μm) |
|
Kayar yüzey eşleşen kauçuk/poliüretan contalar Kayar yüzey eşleşen PTFE contaları |
≤2.5
≤2 |
≤0.1-0.5
≤0.05-0.3 |
|
Oluk tabanı Oluk tarafı |
≤6.3 ≤15 |
≤1.6 ≤3 |
|
TP Profil Destek Uzunluk Oranı |
%50-%95 |
|
|
Tolerans |
|
|
ΦD |
f8 |
|
ΦD |
H10 |
Sipariş örneği
Model: RCS109
Groove Boyutu: 100x115.1x6.3
Malzeme: PTFE3+NBR

SEAL TİPİ: RCS109
Ana uygulama: Mühendislik araçları, tarım makineleri, vinçler, deniz hidrolik ekipmanı, takım tezgahları.
Avantajları: Düşük sürtünme, sürünme, yüksek aşınma direnci, sadece iyi ekstrüzyon karşıtı performansı, iyi termal iletkenlik, kararlı gömme oluğu, geniş sıcaklık aralığı.
Malzeme: tetrafloroetilen, nitril kauçuk veya flor kauçuk
|
SEAL GROOVE Örnekleri |
Aşağıdakiler standart oluk boyutlarıdır (boyut aralığı içindeki herhangi bir boyuttaki toz contaları üretilebilir) |
||||||||
|
|
|
ΦD |
ΦD |
L |
C/S |
Maksimum ekstrüzyon boşluğu |
|||
|
100Bar |
200bar |
400bar |
|||||||
|
5-7.9 |
Φd+4.9 |
2.2 |
2.45 |
0.30 |
0.20 |
0.15 |
|||
|
8-18.9 |
Φd+7.3 |
3.2 |
3.64 |
0.40 |
0.25 |
0.15 |
|||
|
19-37.9 |
Φd+10.7 |
4.2 |
5.35 |
0.40 |
0.25 |
0.20 |
|||
|
38-199.9 |
Φd+15.1 |
6.3 |
7.55 |
0.50 |
0.30 |
0.20 |
|||
|
200-255.9 |
Φd+20.5 |
8.1 |
10.25 |
0.60 |
0.35 |
0.25 |
|||
|
256-649.9 |
Φd+24 |
8.1 |
12 |
0.60 |
0.35 |
0.25 |
|||
|
650-1000 |
Φd+27.3 |
9.5 |
13.65 |
0.70 |
0.50 |
0.30 |
|||
|
> 1000 |
Φd+38 |
13.8 |
19 |
1.00 |
0.70 |
0.50 |
|||

RCS110-112
Sipariş boyutu
Φd ...... dış çap
Φd ...... iç çap
L ...... oluk genişliği
|
Yüzey kaplaması |
R Tmax (μm) |
RA (μm) |
|
Kayar yüzey eşleşen kauçuk/poliüretan contalar Kayar yüzey eşleşen PTFE contaları |
≤2.5
≤2 |
≤0.1-0.5
≤0.05-0.3 |
|
Oluk tabanı Oluk tarafı |
≤6.3 ≤15 |
≤1.6 ≤3 |
|
TP Profil Destek Uzunluk Oranı |
%50-%95 |
|
|
Tolerans |
|
|
ΦD |
f8 |
|
ΦD |
H10 |
Sipariş örneği
Model: RCS110-112
Groove Boyutu: 100x120x32
Malzeme: RC-PU-H+POM

Mühür Türü: RCS110-112, RCS126-128
Ana Uygulama: Ağır endüstriyel makineler için presler
Avantajları: Eski pistonlu çubuklar için uygun, açık tip monte edilmesi kolay Creeper
Malzeme: Poliüretan, polioksimetilen, naylon
|
SEAL GROOVE Örnekleri |
Aşağıdakiler standart oluk boyutlarıdır (boyut aralığı içindeki herhangi bir boyuttaki toz contaları üretilebilir) |
|||||
|
|
|
ΦD |
ΦD |
L |
C/S |
|
|
10-39.9 |
Φd+10 |
16 |
5 |
|||
|
40-74.9 |
Φd+15 |
25 |
7.5 |
|||
|
75-149.9 |
Φd+20 |
32 |
10 |
|||
|
150-199.9 |
Φd+25 |
40 |
12.5 |
|||
|
200-299.9 |
Φd+30 |
50 |
15 |
|||
|
300-599.9 |
Φd+40 |
63 |
20 |
|||
|
> 600 |
Φd+40 |
80 |
20 |
|||
|
> 1000 |
Φd+50 |
100 |
25 |
|||

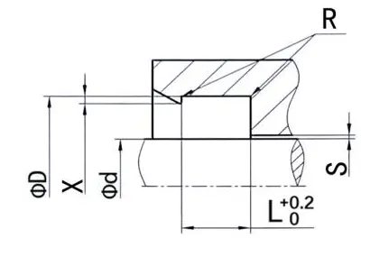
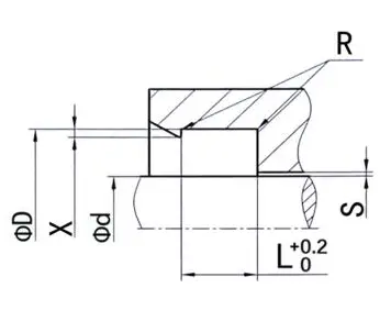
RCS119
Sipariş boyutu
Φd ...... dış çap
Φd ...... iç çap
L ...... oluk genişliği
|
Yüzey kaplaması |
R Tmax (μm) |
RA (μm) |
|
Kayar yüzey eşleşen kauçuk/poliüretan contalar Kayar yüzey eşleşen PTFE contaları |
≤2.5
≤2 |
≤0.1-0.5
≤0.05-0.3 |
|
Oluk tabanı Oluk tarafı |
≤6.3 ≤15 |
≤1.6 ≤3 |
|
TP Profil Destek Uzunluk Oranı |
%50-%95 |
|
|
Tolerans |
|
|
ΦD |
f8 |
|
ΦD |
H10 |
Sipariş örneği
Model: RCS119
Groove Boyutu: 100x109.4x7.1
Malzeme: PTFE2+NBR

SEAL TİPİ: RCS119
Ana Uygulama: Kimya Endüstrisi, Hızlı Silindirler ve Konumlandırma Makineleri. Gıda endüstrisi, ilaç endüstrisi.
Avantajları: Yüksek sıcaklıklara ve çeşitli kimyasal ortamlara dirençli, düşük sürtünme katsayısı, sürünme yok, iyi kuru sürtünme özellikleri, düşük statik ve sürtünme değerleri.
Malzeme: PTFE+Yaprak Yayı
|
SEAL GROOVE Örnekleri |
Aşağıdakiler standart oluk boyutlarıdır (boyut aralığı içindeki herhangi bir boyuttaki toz contaları üretilebilir) |
|||||||||
|
|
|
ΦD |
ΦD |
L |
R |
X |
Maksimum ekstrüzyon boşluğu |
|||
|
100Bar |
200bar |
400bar |
||||||||
|
10-19.9 |
d+4.5 |
3.6 |
0.4 |
0.6 |
0.15 |
0.10 |
0.07 |
|||
|
20-39.9 |
d+6.2 |
4.8 |
0.6 |
0.7 |
0.20 |
0.15 |
0.08 |
|||
|
40-119.9 |
d+9.4 |
7.1 |
0.8 |
0.8 |
0.25 |
0.20 |
0.10 |
|||
|
120-1000 |
d+12.2 |
9.5 |
0.8 |
0.9 |
0.30 |
0.25 |
0.12 |
|||
|
> 1000 |
D+19.0 |
15 |
0.8 |
0.9 |
0.50 |
0.40 |
0.20 |
|||



















































































Adres
No.1 Ruichen Yolu, Dongliuting Endüstri Parkı, Chengyang Bölgesi, Qingdao Şehri, Shandong Eyaleti, Çin
tel
e-posta