Döner contaları döndürmeyi gerektiren her senaryo için bir "koruma-basınç direnci uzun vadeli" Trinity çözümü sağlamaya kararlıyız. 200'den fazla malzeme formülü ve yapısal patent sayesinde müşterilerin başarısızlık oranlarını azaltmasına ve TCO optimizasyonu elde etmelerine yardımcı oluyoruz. Tüm ürün modelleri serisi çok çeşitlidir. Gerçek ihtiyaçlara göre seçim yapabilir veya döner döner contaları bizden özelleştirebilirsiniz.
RCR101 döner iskelet tek dudak contası, tek oyunculu, eksenel açık oluk kurulumu, yaygın olarak kullanılır, çoğunlukla rulmanlar için koruyucu bir element olarak kullanılır.
RCR102 Döner İskelet Çift Dudak Contası, Tek Oyunculuk, Toz Geçirmez Yardımcı Dudak, Eksenel Açık Olusu Montajı, Yaygın olarak kullanılan, çoğunlukla rulmanlar için koruyucu bir element olarak kullanılır.
RCR103 döner conta, çift oyunculuk, destek halkası, yüksek basınçlı döner sızdırmazlık koşulları altında daha iyi sızdırmazlık etkisi.
RCR104, RCR105 döner conta, çift oyunculuk, dar oluk, kararlı oluk gömme ve dişli sızdırmazlık yüzeyi.
RCR106, RCR107 V şekilli döner conta, eksenel hareket, büyük elastik modül, sürtünme direnci, toz, kirleticiler, su sıçraması, yağ sıçraması vb.
RCR108 döner conta, tek oyunculuk, yay yok, iç ve dış dudakların paraziti farklı çalışma koşullarına göre belirlenir.
RCR109 O-ring, elastik halka çoğunlukla statik sızdırmazlık veya dinamik sızdırmazlık, esnek sıcaklık ortamı seçimi için kullanılır. Ayrıntılı oluklar için lütfen O-ring örneğine bakın.
RCR110 Döner tetrafluoroetilen contası, şaft, çift etkili, dar oluklar için uygun.
RCR111 Delik için Döner Tetrafloroetilen Contası, Çift Oyunculuk, Dar oluklar için uygun.
RCR112 döner conta, çift oyunculuk, dar oluk, yağlanmış çalışma koşullarına uygun.
RCR113 döner contası, çift etkili, destek halkası, kararlı oluk gömme, çoğunlukla kazı ekipmanının dönen şaftında kullanılan daha büyük ekstrüzyon boşluğu ve basıncı sağlar.
RCR115 şaft, çift etkili, düşük sürtünme, anti-yan yüksek basınç, anti-yüksek sıcaklık korozyonu için rcr115 döner tetrafloroetilen contası.
RCR116 Delik, çift etkili, düşük sürtünme, anti-yan yüksek basınç, anti-yüksek sıcaklık korozyonu için döner tetrafloroetilen contası.
RCR117, RCR121 döner PTFE contası, Mander yay, tek etkili, yüksek sıcaklıkta korozyon direnci, nispeten yüksek hız ve yüksek basınç için uygun.
RCR118 uç PTFE döner contası, Mander yay, tek oyunculuk, yüksek sıcaklıkta korozyon direnci, çoğunlukla kimya endüstrisinde kullanılan.
RCR119 döner iskelet tek dudak contası, tek oyunculu, eksenel açık oluk kurulumu, yaygın olarak kullanılır, çoğunlukla rulmanlar için koruyucu bir element olarak kullanılır.
RCR201, RCR202 döner iskelet çift dudak contası, tek oyunculu, toz geçirmez yardımcı dudak, eksenel açık oluk kurulumu, yaygın olarak kullanılan, çoğunlukla yataklar için koruyucu bir eleman olarak kullanılır.
RCR203, RCR204 döner iskelet içermeyen tek dudak contası, tek oyunculu, eksenel açık oluk fikstürü sabit montaj, çoğunlukla metalurji ve gemi inşa gibi ağır endüstrilerde kullanılır.
RCR205 kesim döner iskeletsiz tek dudak contası, tek oyunculu, eksenel açık oluk fikstürü sabit kurulum, çoğunlukla metalurji ve gemi inşa gibi ağır endüstrilerde kullanılır.
RCR206, RCR207 kesim döner çerçevesiz tek dudak contası, tek oyunculu, eksenel açık oluk fikstürü sabit kurulum, çoğunlukla metalurji ve gemi inşa gibi ağır endüstrilerde kullanılır. Düşük hızlı sızdırmazlık için uygun olan sızdırmazlık ortamı lityum bazlı gresdir.
Ürün özellikleri ve uygulamaları:
Ana uygulamalar
Döner contalar döner şaft uç sızdırmazlık, dönen şaft sızdırmazlığı, ekskavatörler, kapanlar, döner eklemler, döner distribütörler için uygundur ve bu tür conta genellikle petrol ve kimyasal endüstrilerde kullanılır
Avantajlar
Dönme döner contalar çok çeşitli uyarlanabilir ortamlar ve sıcaklık aralıkları, iyi sızdırmazlık etkisi, yüksek basınç direnci, küçük kesit boyutu, hidrolik yağ direnci, düşük sürtünme ve çubuk kayma fenomeni yoktur.

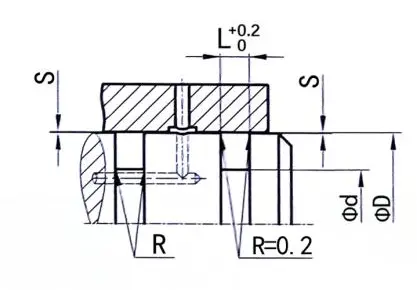
RCR101
Sipariş boyutu
Φd ...... dış çap
Φd ...... iç çap
L ...... oluk genişliği
|
Yüzey kaplaması |
R Tmax (μm) |
RA (μm) |
|
Kayar yüzey eşleşen kauçuk/poliüretan contalar Kayar yüzey eşleşen PTFE contaları |
≤2.5
≤2 |
≤0.1-0.5
≤0.05-0.3 |
|
Oluk tabanı Oluk tarafı |
≤6.3 ≤15 |
≤1.6 ≤3 |
|
TP Profil Destek Uzunluk Oranı |
%50-%95 |
|
|
Tolerans |
|
|
ΦD |
f8 |
|
ΦD |
H8 |
Sipariş örneği
Model: RCR101
Groove Boyutu: 100x115x8
Malzeme: NBR/POM

Mühür Tipi: RCR101, RCR102
Ana Uygulama: Dönen Şaft Uç Sızdırması için uygun
Avantajlar: Çok çeşitli medya, geniş bir sıcaklık aralığı ve iyi sızdırmazlık etkisi için uygun
Malzeme: Poliüretan, Kauçuk/Polioksimetilen
|
SEAL GROOVE Örnekleri |
Aşağıdakiler standart oluk boyutlarıdır (boyut aralığında herhangi bir boyuttaki döner contalar üretilebilir) |
|||||
|
|
|
ΦD |
ΦD |
L |
C/S |
|
|
6-59.9 |
Φd+12 |
7 |
6 |
|||
|
60-139.9 |
Φd+15 |
8 |
7.5 |
|||
|
140-299.9 |
Φd+20 |
10 |
10 |
|||
|
300-499.9 |
Φd+30 |
12 |
15 |
|||
|
500-800 |
Φd+40 |
20 |
20 |
|||
|
> 800 |
Φd+50 |
22 |
25 |
|||

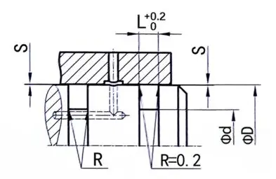
RCR115
Sipariş boyutu
Φd ...... dış çap
Φd ...... iç çap
L ...... oluk genişliği
|
Yüzey kaplaması |
R Tmax (μm) |
RA (μm) |
|
Kayar yüzey eşleşen kauçuk/poliüretan contalar Kayar yüzey eşleşen PTFE contaları |
≤2.5
≤2 |
≤0.1-0.5
≤0.05-0.3 |
|
Oluk tabanı Oluk tarafı |
≤6.3 ≤15 |
≤1.6 ≤3 |
|
TP Profil Destek Uzunluk Oranı |
%50-%95 |
|
|
Tolerans |
|
|
ΦD |
f8 |
|
ΦD |
H8 |
Sipariş örneği
Model: RCR115
Groove Boyutu: 100x1111x4.2
Malzeme: PTFE4+NBR

Mühür Tipi: RCR115
Ana uygulama: Döner şaft contaları, ekskavatörler, kapmacılar, döner eklemler için uygundur.
Avantajlar: Yüksek basınca direnebilir, küçük kesit boyutuna sahiptir, hidrolik yağa dirençlidir, düşük sürtünmeye sahiptir ve çubuk kayma fenomeni yoktur.
Malzeme: tetrafloroetilen + nitril kauçuk veya florubber
|
SEAL GROOVE Örnekleri |
Aşağıdakiler standart oluk boyutlarıdır (boyut aralığında herhangi bir boyuttaki döner contalar üretilebilir) |
||||||||
|
|
|
ΦD |
ΦD |
L |
R |
X |
Maksimum ekstrüzyon boşluğu s |
||
|
100Bar |
200bar |
||||||||
|
6-18.9 |
Φd+4.9 |
2.2 |
0.4 |
1.78 |
0.15 |
0.10 |
|||
|
19-37.9 |
Φd+7.5 |
3.2 |
0.6 |
2.62 |
0.20 |
0.15 |
|||
|
38-199.9 |
Φd+11 |
4.2 |
1.0 |
3.53 |
0.25 |
0.20 |
|||
|
200-255.9 |
Φd+15.5 |
6.3 |
1.3 |
5.33 |
0.30 |
0.25 |
|||
|
256-649.9 |
Φd+21 |
8.1 |
1.8 |
7.00 |
0.30 |
0.25 |
|||
|
> 650 |
Φd+28 |
9.5 |
2.5 |
8.40 |
0.45 |
0.30 |
|||

RCR116
Sipariş boyutu
Φd ...... dış çap
Φd ...... iç çap
L ...... oluk genişliği
|
Yüzey kaplaması |
R Tmax (μm) |
RA (μm) |
|
Kayar yüzey eşleşen kauçuk/poliüretan contalar Kayar yüzey eşleşen PTFE contaları |
≤2.5
≤2 |
≤0.1-0.5
≤0.05-0.3 |
|
Oluk tabanı Oluk tarafı |
≤6.3 ≤15 |
≤1.6 ≤3 |
|
TP Profil Destek Uzunluk Oranı |
%50-%95 |
|
|
Tolerans |
|
|
ΦD |
f8 |
|
ΦD |
H8 |
Sipariş örneği
Model: RCR116
Groove Boyutu: 100x89x4.2
Malzeme: PTFE4+NBR

Mühür Türü: RCR116
Ana uygulama: Döner şaft uçlu contalar, ekskavatörler, kapmacılar, döner eklemler, döner distribütörler için uygundur.
Avantajlar: Çok çeşitli ortam ve sıcaklık için uygundur, iyi sızdırmazlık etkisi, küçük kesitsel boyut, hidrolik yağa karşı güçlü direnç, düşük sürtünme ve çubuk kayma fenomeni yoktur.
Malzeme: tetrafloroetilen + nitril kauçuk veya florubber
|
SEAL GROOVE Örnekleri |
Aşağıdakiler standart oluk boyutlarıdır (boyut aralığında herhangi bir boyuttaki döner contalar üretilebilir) |
||||||||
|
|
|
ΦD |
ΦD |
L |
R |
O |
Maksimum ekstrüzyon boşluğu s |
||
|
100Bar |
200bar |
||||||||
|
8-39.9 |
ΦD-4.9 |
2.2 |
0.4 |
1.78 |
0.15 |
0.10 |
|||
|
40-79.9 |
ΦD-7.5 |
3.2 |
0.6 |
2.62 |
0.20 |
0.15 |
|||
|
80-132.9 |
ΦD-11.0 |
4.2 |
1.0 |
3.53 |
0.25 |
0.20 |
|||
|
133-329.9 |
Φd-155.5 |
6.3 |
1.3 |
5.33 |
0.30 |
0.25 |
|||
|
330-669.9 |
Φd-21.0 |
8.1 |
1.8 |
7.00 |
0.30 |
0.25 |
|||
|
> 670 |
Φd-28.0 |
9.5 |
2.5 |
8.40 |
0.45 |
0.30 |
|||

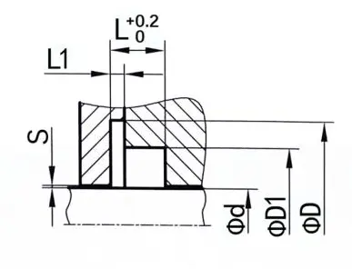
RCR117
Sipariş boyutu
Φd ...... dış çap
ΦD1 ...... dış çap
Φd ...... iç çap
L ...... oluk genişliği
L1 ...... oluk genişliği
|
Yüzey kaplaması |
R Tmax (μm) |
RA (μm) |
|
Kayar yüzey eşleşen kauçuk/poliüretan contalar Kayar yüzey eşleşen PTFE contaları |
≤2.5
≤2 |
≤0.1-0.5
≤0.05-0.3 |
|
Oluk tabanı Oluk tarafı |
≤6.3 ≤15 |
≤1.6 ≤3 |
|
TP Profil Destek Uzunluk Oranı |
%50-%95 |
|
|
Tolerans |
|
|
ΦD |
f8 |
|
ΦD |
H8 |
Sipariş örneği
Model: RCR117
Groove Boyutu: 100x117.5x110.5x7.1x1.8
Malzeme: PTFE4+V

SEAL TİPİ: RCR117
Ana Uygulama: Dönen şaft uç sızdırmazlık için uygun olan bu tür conta genellikle petrol ve kimyasal endüstrilerde kullanılır
Avantajlar: Düşük sürtünme, korozyon direnci, yüksek sıcaklık direnci, yüksek hız için uygun
Malzeme: PTFE, Paslanmaz Çelik Yay
|
SEAL GROOVE Örnekleri |
Aşağıdakiler standart oluk boyutlarıdır (boyut aralığında herhangi bir boyuttaki döner contalar üretilebilir) |
|||||||||
|
|
|
ΦD |
ΦD |
FD1 |
L |
L1 |
Maksimum ekstrüzyon boşluğu s |
|||
|
20bar |
100Bar |
200bar |
||||||||
|
5-19.9 |
Φd+9 |
Φd+5 |
3.6 |
0.85 |
0.25 |
0.15 |
0.10 |
|||
|
20-39.9 |
Φd+12.5 |
Φd+7 |
4.8 |
1.35 |
0.35 |
0.20 |
0.15 |
|||
|
40-399.9 |
Φd+17.5 |
Φd+10.5 |
7.1 |
1.8 |
0.50 |
0.25 |
0.20 |
|||
|
≥400 |
Φd+22 |
Φd+14 |
9.5 |
2.8 |
0.60 |
0.30 |
0.25 |
|||



















































Adres
No.1 Ruichen Yolu, Dongliuting Endüstri Parkı, Chengyang Bölgesi, Qingdao Şehri, Shandong Eyaleti, Çin
tel
e-posta